- Bestseller
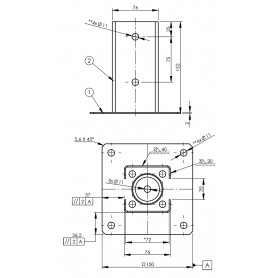
Leichter Sockel zur Verbindung der Holzpfeiler mit dem Beton. Das minimalistische Design macht das Element diskreter und die Verwendung von zwei PSC-Sockeln ermöglicht die Montage eines Pfeilers mit beliebigem Querschnitt.
- Stoff: S235
- Anzahl ir Verpackur: 1 Sctk.
- Korrosionsschutz: Feuerverzinkt: Diese Art der Beschichtung wird durch das Eintauchen des Gegenstands in die Schmelze aus flüssigem Zink mit Temperatur von ca. 450˚C hergestellt. Die in dieser Weise hergestellte Beschichtung weist Stärke von 80-90 μm, mindestens aber 60 μm auf. Ein dickschichtiger Schutzanstrich ist für diese Waren empfohlen, die langfristig der Einwirkung der Feuchtigkeit ausgesetzt sind, insbesondere für die Gartenteile. Diese Beschichtung kann mit speziellen für verzinkte Teile vorgesehenen Farben angestrichen werden.





