- Bestseller
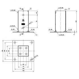
Zum einfacheren Verbinden von Teilen aus Holz mit Beton, stellt Abstand zwischen Holz und Boden her.
- Stoff: S235
- Anzahl ir Verpackur: 1 Sctk.
- Korrosionsschutz: Feuerverzinkt - Diese Art der Beschichtung wird durch das Eintauchen des Gegenstands in die Schmelze aus flüssigem Zink mit Temperatur von ca. 450˚C hergestellt. Die in dieser Weise hergestellte Beschichtung weist Stärke von 80-90 μm, mindestens aber 60 μm auf. Ein dickschichtiger Schutzanstrich ist für diese Waren empfohlen, die langfristig der Einwirkung der Feuchtigkeit ausgesetzt sind, insbesondere für die Gartenteile. Diese Beschichtung kann mit speziellen für verzinkte Teile vorgesehenen Farben angestrichen werden.





